SW132直流接触器

您的位置 : 网站首页 > 产品中心 > 主触头多路直流接触器系列 > SW132直流接触器
SW132
SW132
  • SW132
型号:SW132直流接触器
  • 线圈额定电压(V)

    48V

  • 主触点额定电流(A)

    125A

联系电话:021-55560736
ZJ-50D直流接触器

产品介绍

Product introduction

产品用途

SW120双极ONJOFF通常打开。
SW121双转换
SW122成对双极开关通常打开(fo电机反转)SW132双极开关通常关闭。
这些接触器是为直流负载设计的。
他们与银合金接触头的主要接触点有双重断裂,这些接触点是耐焊接的,耐磨的,具有良好的导电性。
特别版本有两个特殊版本SW121E和SW132E,是为电源故障转换而设计的。这些接触器装有经济页面。
电阻器和用于连续激励的最小线圈功率消耗。
交流电这些接触器不是极性敏感的,因此它们可以用来交换交流电。
紧凑的尺寸
这些接触器体积小巧,完全可以使用,并且有全套的备件可供使用。


技术数据
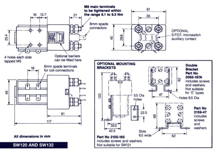
外形尺寸图
SW132直流接触器
  • 邮  箱:cnhgq@foxmail.com 邮  编:201206
  • 厂  址:上海市曹路钦塘工业园钦塘东南1号 销售地址:上海浦东新区外高桥华申路150号2幢
  • © Copyright JOSEF Inc. All rights reserved.沪ICP备08020013号